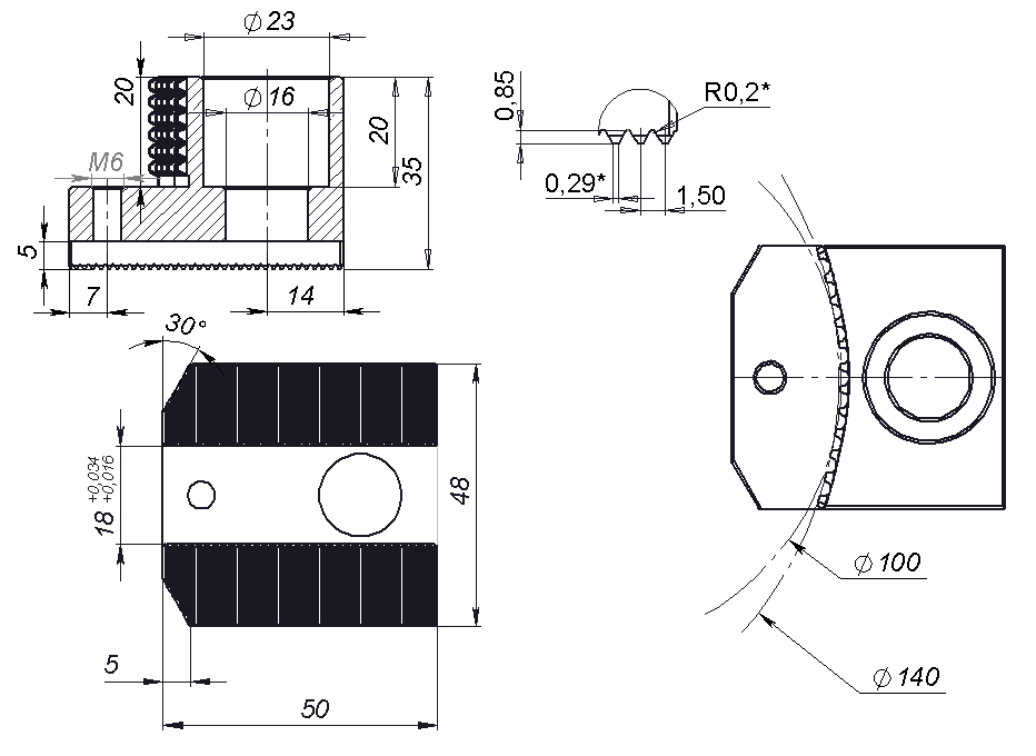
Токарные калёные кулачки 12″_60x140 с зубчатой метрической рейкой. Шаг зуба рейки 1.5×60°.
Посадочный паз: 18мм x 5 мм
Предназначены для захвата в основном черновой заготовки. Кулачки «вгрызаются в металл», увеличивая тем самым площадь контакта и не давая заготовке вылететь.
Круглые поверхности зубов выполнены в разных диаметрах. Что даёт возможность ещё более эффективно подобрать диапазон требуемого зажима.
Материал 40ХН2МА. Термообработан ТВЧ 45HRC. Посадочный паз выполнен после термообработки.
12″_100x140 кулачки калёные (компл. 3 шт) «зубастые» купить в Москве по цене
19500,00 ₽
с доставкой в течении 30 дней по всей России в интернет-магазине компании SIZ-INSTRUMENT.
Технические характеристики:
| Тип кулачка | Калёный |
|---|---|
| Диаметр патрона | (12") |
| Шаг зуба (N) | 1.5х60⁰ |




Отзывы
Отзывов пока нет.